Grove MOSFET

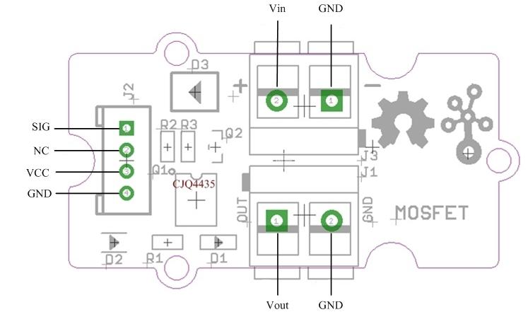
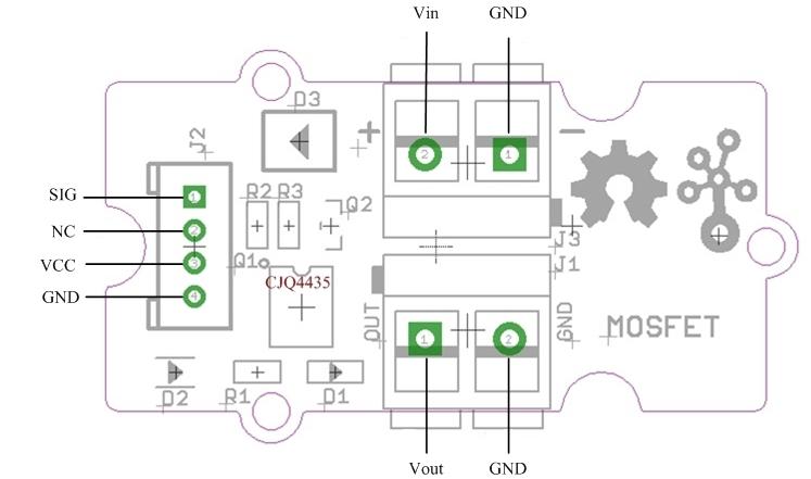
Grove – MOSFET enables you to control higher voltage project, say 15VDC, with low voltage, say 5V, on microcontroller. MOSFET is also a kind of switch, but its switching frequency can reach up to 5MHz, much faster than normal mechanical relay. There are two screw terminals on the board. One for outer power source and the other for device you want to control. Grove – MOSFET will pass the power from one end to another when closed. But if outer power source is absent, your device can still draw power from microcontroller via the Grove interface.
Specifications
Working voltage: 5V
Vin: 5 ~ 15V
MOSFET Model: CJQ4435
!!!Tip More details about Grove modules please refer to Grove System
Platforms Supported
Hardware Overview

Vin: Accepts 5V ~ 15V power of which current is less than 2A.
Vout: Attach actuators here.
Demonstration
With Arduino
Here we demonstrate how to use Grove - MOSFET to control a motor. We provide power for it with external power source, but if your controlled device needs current smaller than 300mA, Seeeduino can totally support it and no extra power source needed.

// demo of Grove - MOSFET
// use pin 6 to control a motor
int motorPin = 6;
void setup()
{
Serial.begin(38400);
pinMode(motorPin, OUTPUT);
Serial.println("Grove - MOSFET Test Demo!");
}
void loop()
{
motorOnThenOffWithSpeed();
motorAcceleration();
}
void motorOnThenOffWithSpeed()
{
int onSpeed = 200; // a number between 0 (stopped) and 255 (full speed)
int onTime = 2500;
int offSpeed = 50; // a number between 0 (stopped) and 255 (full speed)
int offTime = 1000;
analogWrite(motorPin, onSpeed);
delay(onTime);
analogWrite(motorPin, offSpeed);
delay(offTime);
}
void motorAcceleration()
{
int delayTime = 50;
for(int i=0; i<256; i++)
{
analogWrite(motorPin, i);
delay(delayTime);
}
for(int i=255; i>=0; i--)
{
analogWrite(motorPin, i);
delay(delayTime);
}
}
With Raspberry Pi
1.You should have a raspberry pi and a grovepi or grovepi+.
2.You should have completed configuring the development enviroment, otherwise follow here.
3.Connection
Plug the sensor to grovepi socket D6 by using a grove cable.
4.Navigate to the demos' directory:
cd yourpath/GrovePi/Software/Python/
To see the code
nano grove_mosfet.py # "Ctrl+x" to exit #
import time import grovepi # Connect the Grove MOSFET to analog port D6 # SIG,NC,VCC,GND mosfet = 6 grovepi.pinMode(mosfet,"OUTPUT") time.sleep(1) while True: try: # Full speed grovepi.analogWrite(mosfet,255) print "full speed" time.sleep(2) # Half speed grovepi.analogWrite(mosfet,128) print "half speed" time.sleep(2) # Off grovepi.analogWrite(mosfet,0) print "off" time.sleep(2) except KeyboardInterrupt: grovepi.analogWrite(mosfet,0) break except IOError: print "Error"
5.Run the demo.
sudo python grove_mosfet.py
Resources
Last updated
Was this helpful?